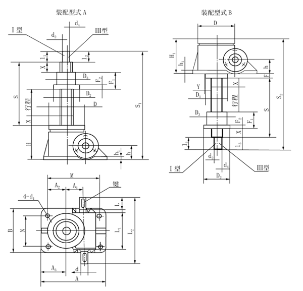
概述 SWL系列蝸輪絲桿升降機又稱QWL升降機以及螺旋升降機廣泛應用于機械、冶金、建筑、水利設備等行業,具有起升、下降及借助輔件推進、翻轉及各種高度位置調整等諸多功能.SWL蝸輪絲桿升降機是一種基礎起重部件,具有結構緊湊、體積小、重量輕、動力源廣泛、無噪音、安裝方便、使用靈活、功能多、配套形式多、可靠性高、使用壽命長等許多優點。可以單臺或組合使用,能按一定程序準確地控制調整提升或推進的高度,可以用電動機或 其他動力直接帶動,也可以手動。它有不同的結構形式和裝配形式,且提升高度可按用戶的要求定制。 。該裝置可以自鎖


|
型號
|
SWL2.5
|
SWL5
|
SWL 10/15
|
SWL20
|
SWL25
|
SWL35
|
SWL50
|
SWL100
|
SWL120
|
|
絲桿升降機最大起升力,KN
|
25
|
50
|
100/150
|
200
|
250
|
350
|
500
|
1000
|
1200
|
|
絲桿升降機最大拉力,KN
|
25
|
50
|
99
|
166
|
250
|
350
|
500
|
1000
|
1200
|
|
絲桿升降機絲杠螺紋尺寸
|
Tr30×6
|
Tr40×7
|
Tr58×12
|
Tr65×12
|
Tr90×16
|
Tr100×18
|
Tr120×20
|
Tr160×23
|
Tr180×25
|
|
蝸輪蝸桿傳動比(P)
|
普通6:1
|
6:1
|
72/3:1
|
8:1
|
102/3:1
|
102/3:1
|
11:1
|
12:1
|
12:1
|
|
蝸桿每轉行程,mm
|
1.0
|
1.17
|
1.56
|
1.5
|
1.5
|
1.5
|
1.818
|
1.916
|
2.083
|
|
蝸輪蝸桿傳動比(M)
|
24:1
|
24:1
|
24:1
|
24:1
|
32:1
|
32:1
|
32:1
|
36:1
|
36:1
|
|
蝸桿每轉行程,mm
|
0.250
|
0.292
|
0.5
|
0.5
|
0.5
|
0.5
|
0.625
|
0.638
|
0.694
|
|
蝸桿傳動比(P)
|
6:1
|
6:1
|
72/3:1
|
8:1
|
102/3:1
|
102/3:1
|
11:1
|
12:1
|
12:1
|
|
絲桿升降機滿負荷蝸桿扭距N•m
|
18.6
|
39.5
|
119/179
|
240
|
366
|
600
|
970
|
2323
|
3316
|
|
蝸輪蝸桿傳動比(M)
|
24:1
|
24:1
|
24:1
|
24:1
|
32:1
|
32:1
|
32:1
|
36:1
|
36:1
|
|
滿負荷蝸桿扭距N•m
|
8.86
|
19.8
|
60/90
|
122
|
217
|
340
|
425
|
997
|
1658
|
|
絲桿升降機絲桿最大軸伸長度
|
1500
|
2000
|
2500
|
3000
|
3500
|
4000
|
5500
|
6500
|
7000
|
|
絲桿升降機最大許用功率/kW
|
0.55
|
1.1
|
2.6
|
3.7
|
4.8
|
6.0
|
7.5
|
15
|
17.5
|
|
普通比(P)總效率%
|
23
|
21
|
23
|
21
|
19
|
18
|
15
|
13
|
12
|
|
慢速比(M)總效率%
|
14
|
12
|
15
|
13
|
11
|
11
|
11
|
10
|
8
|
|
潤滑油量,kg
|
0.1
|
0.25
|
0.5
|
0.75
|
1.1
|
1.9
|
2
|
2.5
|
2.5
|
|
不加行程的重量,kg
|
7.3
|
16.2
|
25
|
36
|
70.5
|
87
|
420
|
1010
|
1350
|
|
絲桿每100mm的 重量
|
0.45
|
0.82
|
1.67
|
2.15
|
4.15
|
5.20
|
7.45
|
13.6
|
17.3
|
|
絲桿升降機潤滑劑
|
合成鈣鈉基潤滑脂ZGN-1或ZGN-2(溫度范圍-20℃-100℃)
|
||||||||

|
型號
|
SWL 2.5
|
SWL 5
|
SWL 10
SWL 15
|
SWL 20
|
SWL 25
|
SWL35
|
SWL50
|
SWL100
|
SWL120
|
||
|
S1
|
行程+20
|
行程+20
|
行程+20
|
行程+20
|
行程+20
|
行程+20
|
行程+20
|
行程+20
|
行程+20
|
||
|
S2
|
行程+110
|
行程+110
|
行程+150
|
行程+190
|
行程+205
|
行程+250
|
行程+285
|
行程+350
|
行程+400
|
||
|
S3
|
150.5
|
193
|
230
|
262
|
317
|
350
|
416
|
550
|
570
|
||
|
A
|
165
|
212
|
235
|
295
|
350
|
430
|
475
|
526
|
526
|
||
|
B
|
120
|
155
|
200
|
215
|
260
|
280
|
500
|
622
|
622
|
||
|
M
|
135
|
168
|
190
|
240
|
280
|
360
|
385
|
412
|
412
|
||
|
N
|
90
|
114
|
155
|
160
|
190
|
210
|
406
|
508
|
508
|
||
|
H
|
97
|
130
|
150
|
176
|
217
|
240
|
280
|
360
|
360
|
||
|
h
|
45
|
61.5
|
70
|
87
|
102
|
115
|
121
|
155
|
155
|
||
|
h1
|
12
|
18
|
16
|
20
|
25
|
30
|
32
|
38
|
42
|
||
|
d(k6)
|
16
|
20
|
25
|
28
|
32
|
38
|
38
|
45
|
48
|
||
|
d1
|
14
|
17
|
21
|
28
|
35
|
35
|
45
|
48
|
48
|
||
|
鍵GB11096
|
5×5×32
|
6×6×45
|
8×7×45
|
8×7×45
|
10×8×50
|
10×8×70
|
10×8×90
|
14×9×100
|
14×9×100
|
||
|
L
|
—
|
—
|
42
|
42
|
58
|
80
|
105
|
100
|
190
|
||
|
L1
|
110.5
|
132
|
172
|
213.5
|
221
|
265
|
310
|
380
|
380
|
||
|
L2
|
190
|
228
|
280
|
322
|
355
|
430
|
558
|
610
|
610
|
||
|
D
|
48
|
65
|
80
|
100
|
130
|
150
|
170
|
240
|
240
|
||
|
D1
|
98
|
122
|
150
|
185
|
205
|
260
|
300
|
420
|
420
|
||
|
D2
|
70
|
90
|
100
|
120
|
150
|
180
|
220
|
310
|
310
|
||
|
D3
|
45
|
60
|
76
|
83
|
114
|
121
|
145
|
180
|
220
|
||
|
D4
|
98
|
110
|
130
|
170
|
200
|
210
|
260
|
370
|
370
|
||
|
D5
|
60
|
70
|
95
|
108
|
133
|
139
|
170
|
215
|
260
|
||
|
A1
|
45.2
|
56.2
|
66.8
|
72.5
|
97
|
120
|
135
|
190
|
190
|
||
|
A2
|
50
|
58
|
63.5
|
95
|
95
|
135
|
80
|
146
|
146
|
||
|
A3
|
65
|
80
|
86
|
122.5
|
130
|
170
|
125
|
203
|
203
|
||
|
b1
|
20
|
25
|
17
|
35
|
30
|
35
|
45
|
60
|
60
|
||
|
b2
|
20
|
18
|
18
|
31
|
40
|
40
|
50
|
65
|
65
|
||
|
F
|
8.5
|
12
|
6.5
|
6
|
8
|
10
|
16
|
40
|
40
|
||
|
絲杠頭部型式
|
Ⅰ
|
d2
|
20
|
25
|
40
|
50
|
70
|
80
|
95
|
130
|
150
|
|
I1
|
30
|
40
|
50
|
60
|
63
|
80
|
90
|
120
|
140
|
||
|
I2
|
45
|
51
|
73.5
|
80
|
92
|
100
|
120
|
150
|
170
|
||
|
Ⅱ
|
D7
|
98
|
122
|
150
|
185
|
205
|
260
|
300
|
370
|
400
|
|
|
D8
|
75
|
85
|
105
|
140
|
155
|
200
|
225
|
280
|
310
|
||
|
D9
|
40
|
50
|
65
|
90
|
100
|
130
|
150
|
200
|
230
|
||
|
d3
|
14
|
17
|
21
|
26
|
27
|
33
|
39
|
48
|
48
|
||
|
F1
|
12
|
18
|
20
|
20
|
25
|
30
|
35
|
75
|
80
|
||
|
F2
|
30
|
40
|
50
|
60
|
63
|
80
|
90
|
120
|
140
|
||
|
F3
|
45
|
51
|
73.5
|
80
|
92
|
100
|
120
|
150
|
170
|
||
|
Ⅲ
|
d4
|
M22×1.5-6g
|
M30×2-6g
|
M42×2-6g
|
M48×2-6g
|
M70×3-6g
|
M80×3-6g
|
M95×3-6g
|
M130×4-6g
|
M150×4-6g
|
|
|
I3
|
30
|
39
|
50
|
60
|
63
|
80
|
90
|
120
|
140
|
||
|
I4
|
45
|
51
|
73.5
|
80
|
92
|
100
|
120
|
150
|
170
|
||
|
Ⅳ
|
d5
|
50
|
65
|
90
|
110
|
130
|
150
|
180
|
220
|
260
|
|
|
d6
|
25
|
35
|
50
|
60
|
70
|
80
|
80
|
90
|
95
|
||
|
b3
|
30
|
42
|
60
|
75
|
90
|
105
|
120
|
160
|
180
|
||
|
I5
|
25
|
37.5
|
50
|
60
|
70
|
80
|
80
|
90
|
100
|
||
|
I6
|
50
|
75
|
100
|
120
|
140
|
160
|
160
|
180
|
200
|
||
|
I7
|
85
|
117
|
153.5
|
170
|
204
|
240
|
270
|
330
|
360
|
||
|
I8
|
70
|
105
|
130
|
150
|
175
|
220
|
240
|
300
|
335
|
||

|
型號
|
SWL2.5
|
SWL5
|
SWL10
SWL15
|
SWL 20
|
SWL 25
|
SWL 35
|
SWL50
|
SWL100
|
SWL120
|
||
|
S
|
行程+85
|
行程+100
|
行程+125
|
行程+150
|
行程+170
|
行程+205
|
行程+250
|
行程+320
|
行程+330
|
||
|
S1
|
行程+215
|
行程+270
|
行程+335
|
行程+404
|
行程+476
|
行程+535
|
行程+603
|
行程+815
|
行程+845
|
||
|
S2
|
行程+238.5
|
行程+300
|
行程+359
|
行程+430
|
行程+513
|
行程+580
|
行程+685
|
行程+880
|
行程+910
|
||
|
A
|
165
|
212
|
235
|
295
|
350
|
430
|
475
|
526
|
526
|
||
|
B
|
120
|
155
|
200
|
215
|
260
|
280
|
500
|
622
|
622
|
||
|
M
|
135
|
168
|
190
|
240
|
280
|
360
|
385
|
412
|
412
|
||
|
N
|
90
|
114
|
155
|
160
|
190
|
210
|
406
|
508
|
508
|
||
|
H
|
100
|
131
|
160
|
194
|
226
|
250
|
290
|
375
|
375
|
||
|
H1
|
97
|
131
|
150
|
181
|
211
|
250
|
280
|
360
|
360
|
||
|
h
|
45
|
61.5
|
70
|
87
|
102
|
115
|
121
|
155
|
155
|
||
|
h1
|
12
|
14
|
16
|
20
|
25
|
30
|
32
|
38
|
42
|
||
|
d(k6)
|
16
|
20
|
25
|
28
|
32
|
38
|
38
|
45
|
48
|
||
|
d1
|
14
|
17
|
21
|
28
|
35
|
35
|
45
|
48
|
48
|
||
|
鍵GB1096
|
5×5×32
|
6×6×32
|
8×7×45
|
8×7×45
|
10×8×50
|
10×8×70
|
10×8×90
|
14×9×100
|
14×9×100
|
||
|
L
|
—
|
—
|
42
|
42
|
58
|
80
|
105
|
100
|
100
|
||
|
L1
|
110.5
|
132
|
172
|
213.5
|
221
|
265
|
310
|
380
|
380
|
||
|
L2
|
190
|
228
|
280
|
322
|
355
|
430
|
558
|
610
|
610
|
||
|
D
|
98
|
122
|
150
|
185
|
205
|
260
|
300
|
420
|
420
|
||
|
D1
|
68
|
83
|
110
|
140
|
160
|
180
|
200
|
260
|
260
|
||
|
A1
|
45.2
|
56.2
|
66.8
|
72.5
|
97
|
120
|
135
|
190
|
190
|
||
|
A2
|
50
|
58
|
63.5
|
95
|
95
|
135
|
80
|
146
|
146
|
||
|
A3
|
65
|
80
|
86
|
122.5
|
130
|
170
|
125
|
203
|
203
|
||
|
F
|
26.5
|
30
|
34
|
39
|
52
|
45
|
65
|
80
|
80
|
||
|
安全裕度X
|
20
|
20
|
25
|
25
|
25
|
30
|
40
|
50
|
50
|
||
|
Y
|
3
|
3
|
1
|
3
|
3
|
4
|
5
|
6
|
6
|
||
|
活動螺母
|
D2
|
80
|
87
|
110
|
120
|
155
|
190
|
220
|
300
|
330
|
|
|
D3(K6)
|
50
|
70
|
90
|
90
|
130
|
150
|
180
|
240
|
260
|
||
|
F1
|
45
|
60
|
75
|
100
|
120
|
145
|
170
|
220
|
270
|
||
|
F2
|
15
|
18
|
25
|
30
|
35
|
35
|
50
|
70
|
80
|
||
|
絲杠頭部型式
|
Ⅰ
|
d2(k6)
|
20
|
25
|
40
|
50
|
70
|
80
|
95
|
130
|
150
|
|
I1
|
30
|
40
|
50
|
60
|
80
|
80
|
90
|
120
|
140
|
||
|
Ⅱ
|
d4
|
M22×1.5-6g
|
M30×2-6g
|
M42×2-6g
|
M48×2-6g
|
M70×3-6g
|
M80×3-6g
|
M95×3-6g
|
M130×4-6g
|
M150×4-6g
|
|
|
I3
|
|
39
|
50
|
60
|
63
|
80
|
90
|
120
|
140
|
||

冀公網安備13092802000153號